Asociación serie de resistencias en el automóvil
Asociación en serie de resistencias en el automóvil: uso y efectos eléctricos
Explicación técnica de la asociación en serie de resistencias aplicada en automoción, analizando cómo se suman las resistencias, cómo afecta a la caída de tensión y sus aplicaciones prácticas en circuitos de iluminación, sensores y elementos de control.
1. El circuito eléctrico serie en el automóvil.
Circuito serie. Definición.
En el circuito en serie los consumidores como los motores, lámparas o resistencias se montan en cascada, es decir uno a Continuación de otro. Existen pocos ejemplos de asociación serie de resistencias en el automóvil, pero si es cierto que hay ejemplos de asociación de led., fusibles…
La batería manda corriente a la entrada de un consumidor y de este, por su salida, a la entrada del siguiente consumidor.
La salida de corriente del último consumidor se conecta a masa o borne negativo de la batería.
Tal y como hemos visto en el vídeo (luz día faro led de Audi), los circuitos en serie tienen un inconveniente: si un componente falla, el circuito se interrumpe y deja de funcionar.
2. Circuito serie. Medida de magnitudes eléctricas. Precauciones.
- Medida de resistencia eléctrica.
1º Desconectar el circuito en el cual se encuentra el componente (resistencia, sensor, actuador… que queremos medir.). Si fuese preciso, desconectar la batería.
2º Extraer el componente del circuito.
3º Configurar el polímtero para medir reisstencia y realizar la medida.
- Medida de corriente.
1 . Abrir el circuito eléctrico en cualquier parte e intercalar el amperímetro..
2. Es importante comenzar por la máxima escala he ir bajando para ganar precisión.
- Medida de tensión con el polímetro.
Asociación en serie de resistencias en el automóvil: medidas eléctricas básicas
– Circuito serie. Cálculo de magnitudes eléctricas.
Una de las características de este tipos de circuitos es que la intensidad de corriente que circula por el circuito es siempre la misma en todo el recorrido (IT = I1 = I2 = I3 = I…) y la resistencia total del mismo es la suma de las resistencias parciales; es decir: RT = R1 + R2 + R3 +…
A su vez, en un circuito en serie, la suma de las tensiones que hay en cada
uno de los componentes es igual a la tensión de la fuente de alimentación
o la batería. (VT = V1 + V2 + V3 + …)
Otra de las características del este circuito es que la potencia total es la suma de las potencias parciales. (PT = P1 + P2 +P3 + …)

Ejercicio resuelto.
Calcula la intensidad total, las tensiones parciales y las potencias disipadas en las resistencias para cada una de las dos tensiones de alimentación. (12V y 24V)
a) Tensión de alimentación 12V Resistencia total: Rt = R1 + R2 = 10 + 20 = 30 ohmios Intensidad total : It = Vt/Rt = 12/30 = 0,4 amperios tensiones parciales: V1 = It * R1 = 0,4 * 10 = 4 voltios V2 = It * R2 = 0,4 * 20 = 8 voltios Vt = V1 + V2 = 4 + 8 = 12 voltios (correcto) Cálculo de las potencias: Pt = Vt * It = 12 * 0,4 = 4,8 watios P1 = V1 * It = 4 * 0,4 = 1,6 watios P2 = V2 * It = 8 * 0,4 = 3,2 watios Pt = P1 + P2 = 1,6 + 3,2 = 4,8 watios (correcto)
b) Tensión de alimentación 24V Resistencia total: Rt = R1 + R2 = 10 + 20 = 30 ohmios Intensidad total : It = Vt/Rt = 24/30 = 0,8 amperios tensiones parciales: V1 = It * R1 = 0,8 * 10 = 8 voltios V2 = It * R2 = 0,8 * 20 = 16 voltios Vt = V1 + V2 = 8 + 16 = 24 voltios (correcto) Cálculo de las potencias: Pt = Vt * It = 24 * 0,8 = 19,2 watios P1 = V1 * It = 8 * 0,8 = 6,4 watios P2 = V2 * It = 16 * 0,8 = 12,8 watios Pt = P1 + P2 = 6,4 + 12,8 = 19,2 watios (correcto)

Ejercicio propuesto.
Diseña un circuito con tres resistencias de 3 Ω 9Ω y 27Ω conectadas en serie, Realiza los cálculos de las magnitudes eléctricas que aparecen en el circuito si se alimenta con una batería de:
a) 12V
b) 24 V
El diseño y simulación ha de realizarse con cocodrile clip. Selecciona la opción de componentes indestructibles (ver foto)
Manda por correo electrónico las fotografías pertinentes con los diseños, cálculos y simulaciones que consideres oportunas.
– Asociación serie de resistencias
(aplicación en el automóvil)
a.- Aplicación en el automóvil.
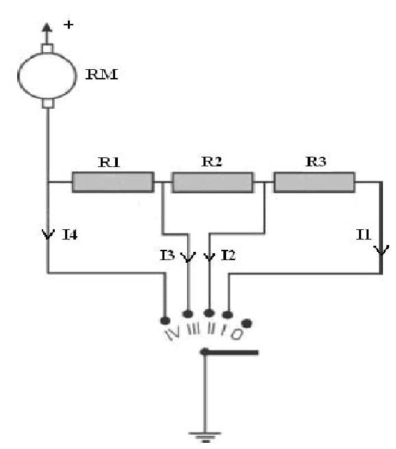
Si bien la asociación serie de componentes no se usa prácticamente en el automóvil, si podemos encontrarla en el circuito del ventilador de aireación del habitáculo de algunos vehículos (los no climatizados). Por lo general, poseen cuatro velocidades, entonces habrá tres resistencias en serie con el motor (ver figura), que también posee una cierta resistencia eléctrica (RM).
b.- Realización práctica.
Montar el circuito de la figura anterior, medir y anotar en el cuestionario siguiente los valores de corriente y tensión que le llegan al motor eléctrico.
Material necesario:
- Electro-ventilador.
- Caja de resistencias.
- Conmutador de cinco posiciones.
- Cables de conexión.
- Batería.
- Polímetro.

En las figuras siguientes se muestra un modelo real de “caja de resistencias” que le proporcionan al motor diferentes tensiones y corrientes. Estas resistencias poseen un valor comprendido entre los 0,5Ω y 1,5Ω, variando su potencia entre los 10W y 15W cada una de ellas.

Nota:
Tanto en las figuras anterior, se puede apreciar un tipo de resistencia especial denominado NTC, cuyo valor varía en función de la temperatura. Más adelante estudiaremos a fondo este componente.
La siguiente figura, se muestra parte del esquema real del circuito a montar; en el, podemos apreciar de izquierda a derecha que está constituido por: Un conmutador de cinco posiciones y 6 vías, incluye una lamparita para su visualización. Una caja de cuatro resistencias, y cinco vías. Y por último, el electro-ventilador al cual le llega positivo directo por el terminal de la derecha. Por otra parte en la última fotografía podemos ver un modelo del conjunto electro-ventilador y “caja de resistencias”.


Te puede interesar: Instrumentos de medida en el taller de electromecánica
Te puede interesar: Circuito practico resistencia serie
